1 / 5
Sports Seat - Hilo Plus (Warrior)
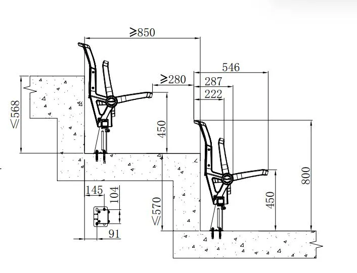
Size: Width: 426±5mm
Depth: 287±5mm (Closing), 546±5mm (Opening)
Height: 800±5mm (Riser mounting), 795±5mm (Floor mounting)
Material: PP Gas Assisted Injection Molding
| Item | Hilo Plus (Warrior) |
| Color | Choosable |
| Place of Origin | China |
| Application | Stadium, Arena, Sport field, School |
As a leading professional manufacturer engaged in the sports leisure industry since 1994, we provide high-quality sports facilities for large-scale professional stadiums, venues, and sports grounds worldwide. Our seating solutions have been featured in major international events including F1 Korea, Shanghai World Expo, and the Guangzhou Asian Games. We are the exclusive supplier for high-profile events like the Universiade 2011 and Southeast Asia Games 2013.





